咨询电话:027-83698919
您好,欢迎访问武汉棕地生态环保科技有限公司官方网站
首页
关于我们
公司简介
资质荣誉
业务领域
经典案例
技术能力
合作伙伴
技术合作
研发领域
新闻资讯
公示栏
企业动态
棕地管理
棕地情报系统
环境监理服务
人才招聘
联系我们
技术能力
研发领域
技术合作
合作伙伴
最新动态
一周三捷!我司承揽的长江新区、硚口区、江汉区三地块土壤污染状况调查项目齐过专家评审
武汉市江汉区沙包桥地块土壤污染状况初步调查信息公示
新华西路四期旧城改建项目调整扩大地块土壤污染状况初步调查信息公示
硚口区楚天创新园地块(二期)土壤污染状况初步调查信息公示
武汉市长江新区D26地块土壤污染状况初步调查信息公示
名称:武汉棕地生态环保科技有限公司
地址:湖北省武汉市硚口区长丰街道汇丰企业天地丰雍楼18栋203
电话:027-83698919
网址:www.zdstep.com
工业用地搬迁前后的管控
首页
>
技术能力
>
研发领域
>
工业用地搬迁前后的管控
随着城市中心区工业企业逐步向郊区以及周边小城镇转移,大量工业用地搬迁前后出现较长的“空窗期”,工业用地搬迁前后的管控成为地方管理部门、地块使用权人及环保机构的重中之重。为此,我司针对工业用地搬迁前后的管控开展了一系列探索,通过情报预警系统,环境监理服务管理系统,地下水长期管控的研发和实施,取得较为显著的效果,受到地方管理部门、业主等的一致好评,下面一一进行列举。
一、针对工业用地搬迁前的管控
对于未搬迁的工业用地,我们采取情报预警系统管理,将地块使用权人信息、行业类别、用地类型、地块历史沿革、生产工艺、相邻地块情况等,录入棕地情报管理平台中的待调查场地板块,对地块开展实时预警管控。
图1 棕地情报管理平台中的待调查场地板块
二、针对工业用地搬迁后的管控
为了有利于工业用地管控提高规划的前瞻性、管理的高效性,我司依据《武汉市污染地块修复工程环境监理技术规范》开发了环境监理服务管理系统,该软件主要服务管理板块有土壤异位修复、土壤原位修复、地下水异位修复、地下水原位修复、矿山修复和尾矿库修复、水生态治理等。通过项目管理、工作汇报管理、项目延期管理、审核管理、站内消息管理、基础资料管理、系统管理等内容对项目进行全面的管理。该软件通过对项目资料上传如监理人员信息、相关的技术方案、报告、监理日志、周报、月报、季报等基础资料以及相关检测指标AI对标、相关事项的控制措施等,对污染场地修复工程进行远程管理与监督,远程下达任务与指令,使其能及时制止、纠正环境监理过程中发现的环境污染和修复工程质量问题,规范修复施工。
针对工业用地搬迁后的管控,我们应用环境监理服务管理系统,可在搬迁后到调查单位进场前,污染地块调查到后期修复,修复完毕验收过程到后期开发等各个阶段实行实时管控:
首先,针对搬迁后到调查单位完成场地调查的管控
对地块周边采用围挡阻隔,安排门卫对进出地块包括但不限于车辆,物品,人员进行登记,每日上传至我司环境监理系统实时管控。
其次,针对调查显示地块有污染到后期修复的管控
某地块土壤污染修复治理工程,建设地点在湖北省武汉市谌家矶大道,我司针对项目污染特点应用环境监理服务管理系统进行全过程的环境监管。本项目通过对土壤异位修复相关程序,如土壤清挖环节中对废水、废气、噪声和空气质量进行定期监测,将检测数据导入本系统中自动对标,土壤运输环节通过系统的远程监控预警板块,对运输车辆的密封性与环保性进行审核;土壤暂存环节通过系统的远程监控预警板块,核查暂存场地底部防渗和表面防雨措施的落实情况;土壤修复环节通过系统的远程监控预警功能,对药剂储存区域防雨防渗措施以及产生的固废尤其是危险废物控制和处置进行核实,以及土壤待检堆放环节会对待检区空气质量进行定期监测,对二次污染防治措施进行过程监管,对提供的检测数据上传后自动对标,记录日志、周报、月报、季报等上传情况,对本修复工程项目进行远程管理与监督。
再次,修复完毕验收过程到后期开发的管控
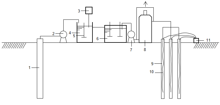
修复施工单位退场后,可保留施工期的水井,进行后期的修复环境管控,可采取地下水长期监测处理系统,实时监测。我司研发了一项去除地下水长期监测同时可去除地下水中挥发性有机物。通过该地下水监测系统对地块后期开发用地进行长期管控,并连接到环境监理服务管理系统实现空间预警,全方位的监管。
图3
地下水监测处理系统
图注:1-筛管;2-水泵;3-加药池;4-混合反应池;5-搅拌装置;6-调节池;7-水泵;8-升流式厌氧污泥反应器;9-筛管;10-曝气管;11-空气泵;12-入水水质监测仪;13-出水水质监测仪。